Zum Hauptinhalt springen

MEC-LAN-M002-R1/UB0311

Preis auf Anfrage

Diese Variante hat den Status End of Life (EOL)

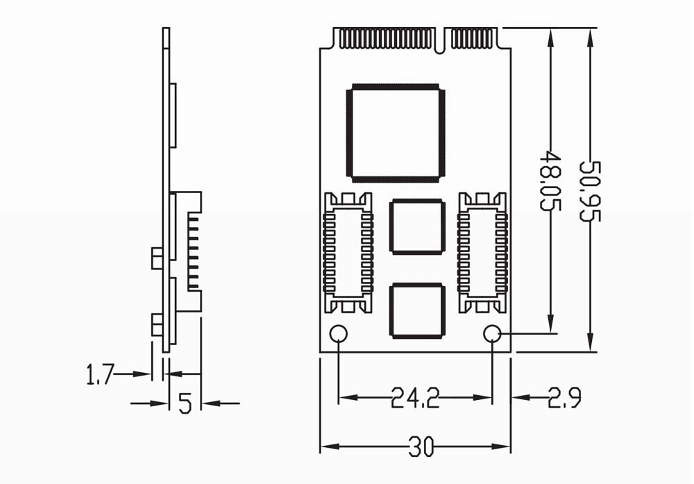
  • Mini PCIe Schnittstelle
  • 2x LAN (RJ45)
  • Abmessungen (BxTxH) 30.00 x 50.95 mm
Produktnummer: 504860
Gewicht: 0,1 kg